
DENISON丹尼逊液压泵流量规格:
T6 系列叶片泵具有3 种规格(C, D 及E)的壳体,每种规格壳体可配装相应系列具有不同排量的泵芯组件,组成本型泵的一个规格系列,在吸口为大气压条件及以最高转速运行时,各规格系列的流量及排量范围为:
C 系列:10 至100 ml/rev(1200 rpm 时,3 至31 gpm);
D 系列:48 至158 ml/rev(1200 rpm 时,14 至50 gpm);
E 系列:132 至227 ml/rev(1200 rpm 时,42 至72 gpm)。
DENISON丹尼逊油泵特点:
工作压力高- 额定工作压力高达275 bar,由此可减小液压执行机构、液压控制阀以及配管的尺寸,使安装成本降低。若降低工作压力使用,可延长工作寿命;
容积效率高- 典型的容积效率为0.94,即使在加载的情况下也具有很高的容积效率,由此可提高生产率,减少发热和降低液压设备的运行成本,并允许满压力工况下的转速低至600 rpm(车用型泵更可低至400rpm);
机械效率高- 典型值为0.94,减小了能量损耗;
转速范围宽- 转速范围为600~2800 rpm(车用型泵为400~2800 rpm),结合在小规格壳体中安装大排量的泵芯组件的方式,可优化工作状态,降低噪声;
低转速(600 rpm,车用型泵为400 rpm)、低压力及高粘度(860 cSt,车用型泵为2000 cSt)运行能力 - 使T6 系列叶片泵能适应低温工况,功耗小且无卡滞危险;
压力脉动小- 约±2 bar,由此可减小液压管道的噪声,并延长液压回路中其它元件的使用寿命;
噪声低-提高了工作的安全性,增加了被接受程度。
抗污染能力强- 本系列泵采用双唇结构的叶片,具有很强的抗污染能力,使用寿命长;
可选的结构参数和形式丰富- 如:泵芯排量、传动轴形式、油口的配置形式等,便于用户按安装需要进行选择;
安装形式的多样性- 对双联泵可有32 种安装的组合形式,而对三联泵则可有多达128 种安装的组合形式,由此可降低成本并提高性能。
广泛的适用性- 安装方式符合SAE J744a 和ISO 3019-1 规定的2 孔法兰形式,并配备有各种平键和花键传动轴供选用。对于车用型泵,还具有T 型传动轴(符合SAEJ718c)选项,允许直接与拖拉机配装(转速540~1000 rpm);
双重轴封选项- 车用型泵具有双重轴封的型式(T6*P 型),带有泄油接口,可直接安装到齿轮箱上。
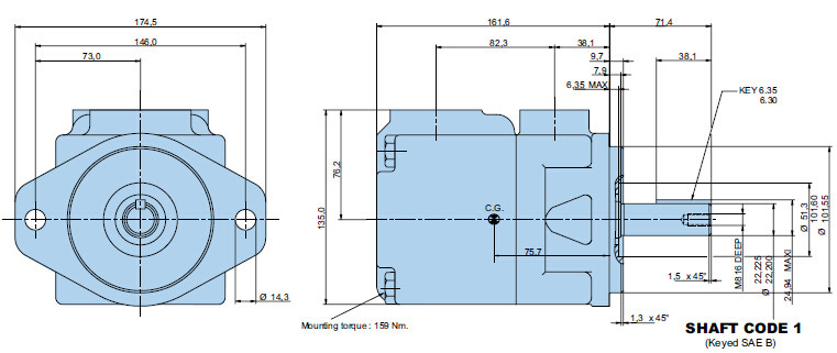
DENISON丹尼逊叶片泵尺寸结构图:

