活塞杆导向环JF106

活塞杆导向环,外径的特殊设计,使其嵌入沟槽稳定性更好。


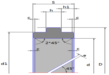
标准尺寸(mm)d

D

d1

S

h

h1

c

35

80

d+6

d+3

10

4

3

0.3

80

150

d+8

d+4

12

5

3.5

0.35

150

300

d+10

d+5

15

6

4.5

0.5

300

500

d+12

d+6

18

8

5

0.6

500

650

d+15

d+7

20

9

5.5

0.7


材料名称

工作温度

速度

单位负载(N/mm2

Josfon-PTFE

-200℃~200

4m/s

3.0

Josfon-PTFE

-200℃~200

5m/s

4.5

Josfon-PTFE

-200℃~200

5m/s

3.0

Josfon-POM

-50℃~100

5m/s

25

Josfon-PA

-40℃~100

4m/s

25