活塞杆导向环JF104

标准导向环,适用于活塞杆导向,特殊的设计使其具有导向和挡圈的作用。

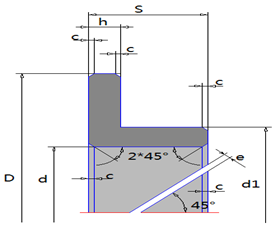
标准尺寸d(mm

D

d1

S

h

c

20

50

d+10

d+3

6.5

2.5

0.3

50

80

d+15

d+4

8

4.0

0.4

80

150

d+20

d+5

10.5

4.5

0.5

150

300

d+25

d+6

13.5

5.0

0.6

300

650

d+30

d+8

14.2

5.5

0.7

 

材料名称

工作温度

速度

单位负载(N/mm2

Josfon-PTFE

-200℃~200

4m/s

3.0

Josfon-PTFE

-200℃~200

5m/s

4.5

Josfon-PTFE

-200℃~200

5m/s

3.0

Josfon-POM

-50℃~100

5m/s

25

Josfon-PA

-40℃~100

4m/s

25