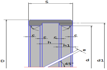
活塞导向环,内孔的特殊设计,使其嵌入沟槽稳定性更好。
|
标准尺寸D(mm) |
d |
d1 |
S |
h |
h1 |
c |
|
|
35 |
80 |
D-6 |
D-3 |
10 |
4 |
3 |
0.3 |
|
80 |
150 |
D-8 |
D-4 |
12 |
5 |
3.5 |
0.35 |
|
150 |
300 |
D-10 |
D-5 |
15 |
6 |
4.5 |
0.5 |
|
300 |
500 |
D-12 |
D-6 |
18 |
8 |
5 |
0.6 |
|
500 |
650 |
D-15 |
D-7 |
20 |
9 |
5.5 |
0.7 |
|
材料名称 |
工作温度 |
速度 |
单位负载(N/mm2) |
|
Josfon-PTFE玻 |
-200℃~200℃ |
4m/s |
3.0 |
|
Josfon-PTFE铜 |
-200℃~200℃ |
5m/s |
4.5 |
|
Josfon-PTFE碳 |
-200℃~200℃ |
5m/s |
3.0 |
|
Josfon-POM |
-50℃~100℃ |
5m/s |
25 |
|
Josfon-PA |
-40℃~100℃ |
4m/s |
25 |