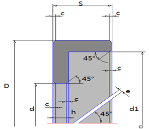
标准导向环,适用于活塞导向,特殊的设计使其具有导向和挡圈的作用。
|
标准尺寸D(mm) |
d |
d1 |
S |
h |
c |
|
|
20 |
50 |
D-10 |
D-3 |
6.5 |
2.5 |
0.3 |
|
50 |
80 |
D-15 |
D-4 |
8 |
4.0 |
0.4 |
|
80 |
150 |
D-20 |
D-5 |
10.5 |
4.5 |
0.5 |
|
150 |
300 |
D-25 |
D-6 |
13.5 |
5.0 |
0.6 |
|
300 |
650 |
D-30 |
D-8 |
14.2 |
5.5 |
0.7 |
|
材料名称 |
工作温度 |
速度 |
单位负载(N/mm2) |
|
Josfon-PTFE玻 |
-200℃~200℃ |
4m/s |
3.0 |
|
Josfon-PTFE铜 |
-200℃~200℃ |
5m/s |
4.5 |
|
Josfon-PTFE碳 |
-200℃~200℃ |
5m/s |
3.0 |
|
Josfon-POM |
-50℃~100℃ |
5m/s |
25 |
|
Josfon-PA |
-40℃~100℃ |
4m/s |
25 |