派克硬管接头
派克的硬管接头产品包括有EO、O-Lok®、Triple-Lok® 等种类,拥有完整的全系列尺寸及结构型式,已经广泛使用,满足各种生产标准,包括SAE、DIN、ISO等。同时,我们还可以提供各种油口端的螺纹及密封形式,包括公制螺纹、BSPP、NPT、UNF等。
PARKER派克硬管接头特点
派克硬管接头种类齐全,满足各种标准,多种螺纹连接形式供您选择。
派克接头专为高可靠性、易操作及总成本低而设计,具有无泄露技术。
派克硬管接头应用广泛,尤其适用于工业、工程机械、海洋工程等恶劣工况。
派克接头表面采用无六价铬镀锌、盐雾试验700小时无锈,超过SAE标准7倍
大大延长接头使用寿 命,降低更换成本。
Parker派克液压接头介绍:
接头规格:1/4”—2”
接头材质:碳钢、不锈钢、黄铜、塑料等
接头密封材料:金属密封、丁晴橡胶、氟橡胶
接头系列:LL超轻型(压力100bar)、L轻型(160-500bar)、S重型(315-800bar)
接头标准:ISO标准——24度锥、37度扩口、O-Lok、BSPP 60度锥接头、JIS BSPP60度锥接头、NPTF 30度锥接头
接头压力:最高达800bar/80MPa
接头油口端螺纹:公制、BSPP英制管螺纹、UN/UNF美制螺纹、NPT/NPTF螺纹、BSPT英制锥螺纹
接头表面处理:碳钢无六价铬镀锌
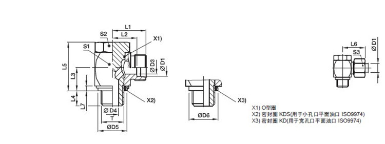
派克PARKER高压铰接式EO 24° WH-R-KDS英制螺纹弹性密封

